作为工程人,学会看懂图纸是必不可少的。本周洪实大讲堂——简单平法识图知识,广东洪实公司技术部邓工为大家讲解简单的平法识图知识,带各位了解如何看懂一些简单的图纸。
课题:简单平法识图知识
主讲:技术部邓工
人员:洪实公司员工
● 平法图集介绍 ●
建筑结构施工图平面整体设计方法(简称平法)表达形式,概括来讲,是把结构构件的尺寸和配筋等,按照平面整体表示方法制图规则,整体直接表达在各类构件的结构平面布置图上,再与标准构造详图相配合,即构成一套新型完整的结构设计。
● 梁平法 ●
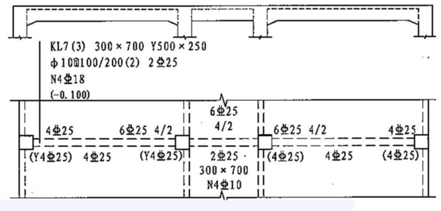
一、梁内有什么钢筋?
1.梁的平面注写包括集中标注与原位标注
集中标注表达梁的通用数值
原位标注表达梁的特殊数值
2.当集中标注中的某项数值不适用于梁的某部位时,则将该项数值原位标注,施工中,原位标注优先于集中标注。
二、集中标注
1、梁编号、梁截面尺寸
2、箍筋:钢筋级别、直径、加密区及非加密区、肢数
3、梁上下通长筋和架立筋
4、梁侧面纵筋:构造腰筋及抗扭腰筋
5、梁顶面标高高差(该项为选注)
三、原位标注
原位标注内容包括梁支座上部纵筋(该部位含通长筋在内所有纵筋)、梁下部纵筋、附加箍筋或吊筋、集中标注不适合于某跨时标注的数据
1、梁支座上、下部纵筋
2、吊筋、附加箍筋
● 柱平法 ●
一、列表注写
1、柱号
2、柱段起止标高
3、尺寸(含柱截面对轴线的偏心情况)
4、纵筋
5、箍筋(箍筋类型、配筋值)
二、截面注写
● 板平法 ●
一、板内有什么钢筋?
1.板平法施工图,是在楼面板和屋面板布置图上,采用平面注写的表达方式。板平面注写主要包括板块集中标注和板支座原位标注。
二、集中标注
1、板块编号
2、板厚
3、贯通纵筋
三、板支座原位标注
1、板块编号
2、板上部非贯通筋
邓工介绍平法图集、梁平法、柱平法、板平法等方法,由浅及深,讲解了简单平法识图的技巧。
通过本次洪实大讲堂,同事们学习到了如何简单的看懂图纸。在以后的工作、生活中,能更好的运用在洪实公司学到的知识,不断的提升自己。

